概述
集中供熱是城市能源建設的一項基礎設施,它是以熱水和蒸汽為熱媒,通過熱網向城鎮或區域用戶供應熱能的方式。在東北地區逐步以集中供熱取締供熱范圍內分散的供熱小鍋爐,避免因大量新增負荷而將要建設的小鍋爐。同時增加了自動控制系統和監控系統,既提高了供熱系統的安全可靠性,又保證了供熱質量,適應了大城市日益增長的熱負荷需要,具有顯著的社會效益、環境效益和經濟效益。下面是森島SD5000系列變頻器在沈陽風城市集中供熱系統中的應用。該鍋爐燃煤控制系統所涉及的爐排和給煤機、鼓風機、引風機、循環水泵和補水泵用變頻器全部采用森島SD5000系列的產品,功率范圍從7.5KW到280KW電壓等級是380V,整個控制系統采用DCS集中控制,能夠實現鍋爐的自動燃燒及供熱運行。如圖所示:

綜合性能比較
在控制上
自動化控制系統配備了現場各類傳感器,所有現場數據均通過專用電纜傳到計算機及二次顯示儀表。水泵、鼓引風機等設備均通過變頻器、PLC等來驅動。這樣,司爐工完全不必到現場觀察數據,調節擋板及閥門等。只需在中央控制室里即可完成全部控制、記錄。這樣,減輕了工人的工作量又減少了人力資源的浪費。并且操作簡單,維護方便,減少事故率。
在節省能源上
由于自動控制系統采用了變頻器來調節電機轉速,從而也就大量的節省了電能的浪費。在原系統中,每年要有大量的電費浪費在鼓引風機上,這是由其本身 調節方式決定的。
大多數鼓引風都采用老式的降壓起動,起動之后投入工頻全負荷運行,靠調節風門來達到調節風量的目的。這樣既把過多的電能消耗在風門上,又對機械造成了損害。而本系統采用了變頻器來達到無級調速改善對機械上的損害。又由于變頻器本身的功率因數又較高,并可根據供熱系統需要來隨時隨地改變電機轉速,從而達到調節風量的目的。
這樣就降低了所需的電量,節省了電能。對于水泵也如此,尤其循環水泵。作為向外網供熱并回收冷卻水的主力,老式也都是降壓起動,全壓運行。對于居民來說,并不是所有天氣都要求較高的室溫。
而且對于逐年的暖冬及變化莫測的天氣來說,由變頻器來隨時調節流量來改變室溫,以適應日益苛刻的居民對供暖的要求,實在是迫在眉睫。另外對于補水泵的變頻調節,又對鍋爐實現了較為準確和安全的壓力控制。
而對于爐排的變頻控制更是節省了大量的煤炭資源。例如:我公司在吉林地區某45噸鍋爐房內3臺15噸供熱鍋爐進行自動化改造后,當地電業部門曾多次更換鍋爐房內電表來確認節電的準確性。并最終計算得出,每個采暖期節省的電費要占往年總電費的25%~30%。從而被定為當地標桿暖房。
3 控制原理
該系統的控制算法為模糊控制及智能PID,分析如下
熱水鍋爐出水溫度自動調節
當外部負荷變化時,出水溫度隨之變化,為了確保鍋爐出水水溫不隨供水量的變化而變化,調節爐排變頻器頻率輸出,控制鏈條的前進速度,改變進煤量,送風量也隨之變化,從而使鍋爐出水水溫恢復到給定值。
爐膛負壓是表征送風量是否平衡的一個物理量。當出水溫度變化時,煤量、鼓風量也隨之變化,同時引風量也作相應的調整,以維持爐膛負壓在額定值,從而保證工業鍋爐的安全運行。為了確保鍋爐能在爐膛處于微負壓狀態下燃燒,通過調節引風變頻器頻率輸出,進行爐膛負壓的控制。
鼓風變頻轉速的控制非常重要。當爐排轉速發生變化時,鼓風轉速應隨之變化,以期達到最佳燃燒效果。鼓風變頻轉速的控制通過固定風煤比經驗公式加煙氣含氧量模糊較正來實現。
① 爐排和分層給煤機
爐排和給煤機控制著鍋爐進煤量的變化,為雙爐排分層給煤機驅動部分采用森島SD5000系列3.7KW和2.2KW變頻器控制,正常運行時同步調速,也可以單臺調試,控制方式采用本柜/現場/DCS三地控制,通過轉換開關實現起/停和電機轉速調節,并有起停指示,故障報警和急停裝置。同時可以通過變頻器反饋給DCS系統來監控運行狀態。
② 鼓風和引鳳機
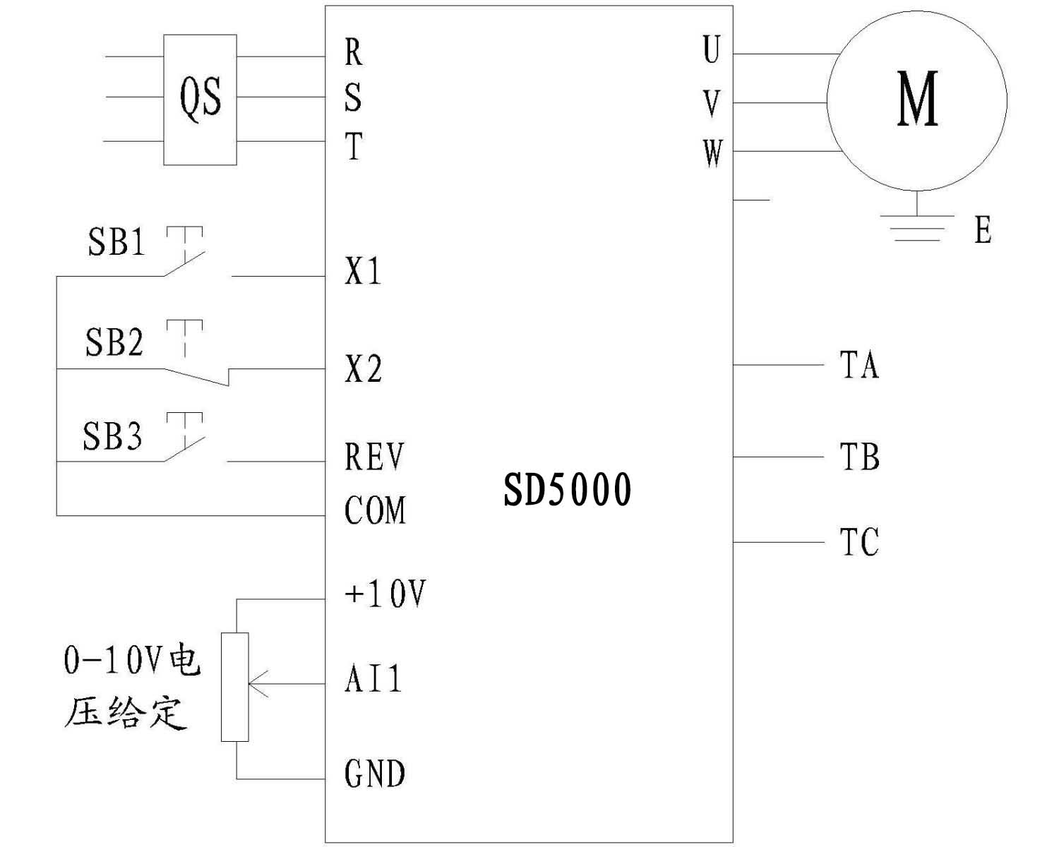
鼓風機和引風機控制著鍋爐爐膛內的壓力,引鳳量隨著故風量的變化做相應的調整,使鍋爐內部始終保持在一定的壓力值,確保整個系統的穩定性。其中鼓風機采用森島SD5000-4T1850G,引風機采用森島SD5000-4T2800G的變頻器控制。故引風機通過外部電路互鎖控制,通過轉換開關實現三地控制,并且能通過DCS監控到電機的工作狀況。
以引風機為例下面是SD5000-4T2800G變頻器的控制線路圖:
(5) 循環泵和補水泵
循環水泵采用森島SD5000-4T1600G的變頻器進行轉速調節,保持供回水壓差處于恒定,在DCS自動控制系統下,有壓力傳感器測得進出空壓力值,計算進出口壓差反饋,和設定值比較,使系統保持恒壓狀態運行,同時變頻器具有電機軟啟、軟停的功能,因此也避免了“水錘”效應對管網及設備產生的沖擊,保證了管網系統安全地運行。
(6)綜述
本自動化控制系統經過多年實踐經驗的補充、完善,以逐漸形成較為系統、可靠、可行的方案,在北方得到大力推廣。尤其以其優良的節能效果,成為社會發展的日益趨勢。